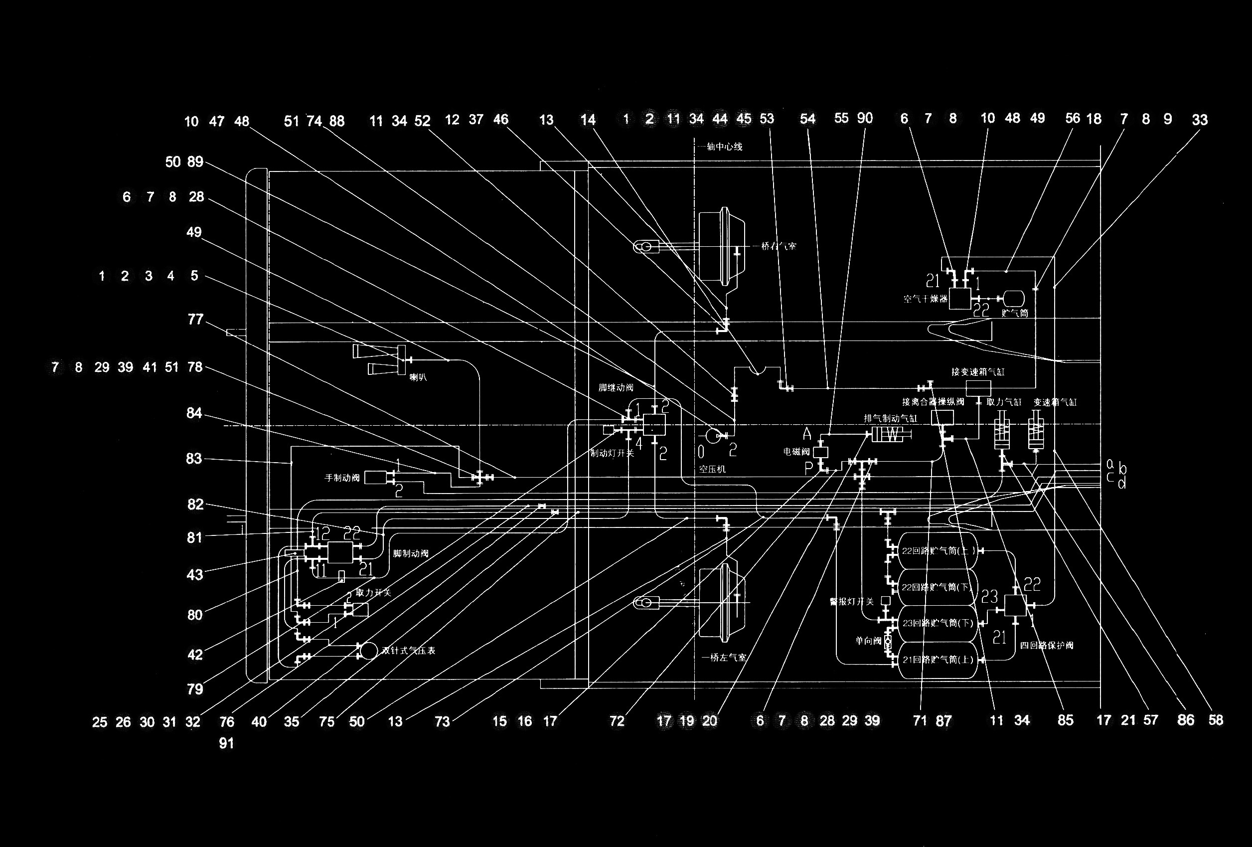
134901767 气路系统布管 Pneumatic Circuit Pipe Assembly