| 序号 | 零部件代号 | 名称 | 数量 | 备注 | |
| No | Part No. | Part Description | Q’ty | Remark | |
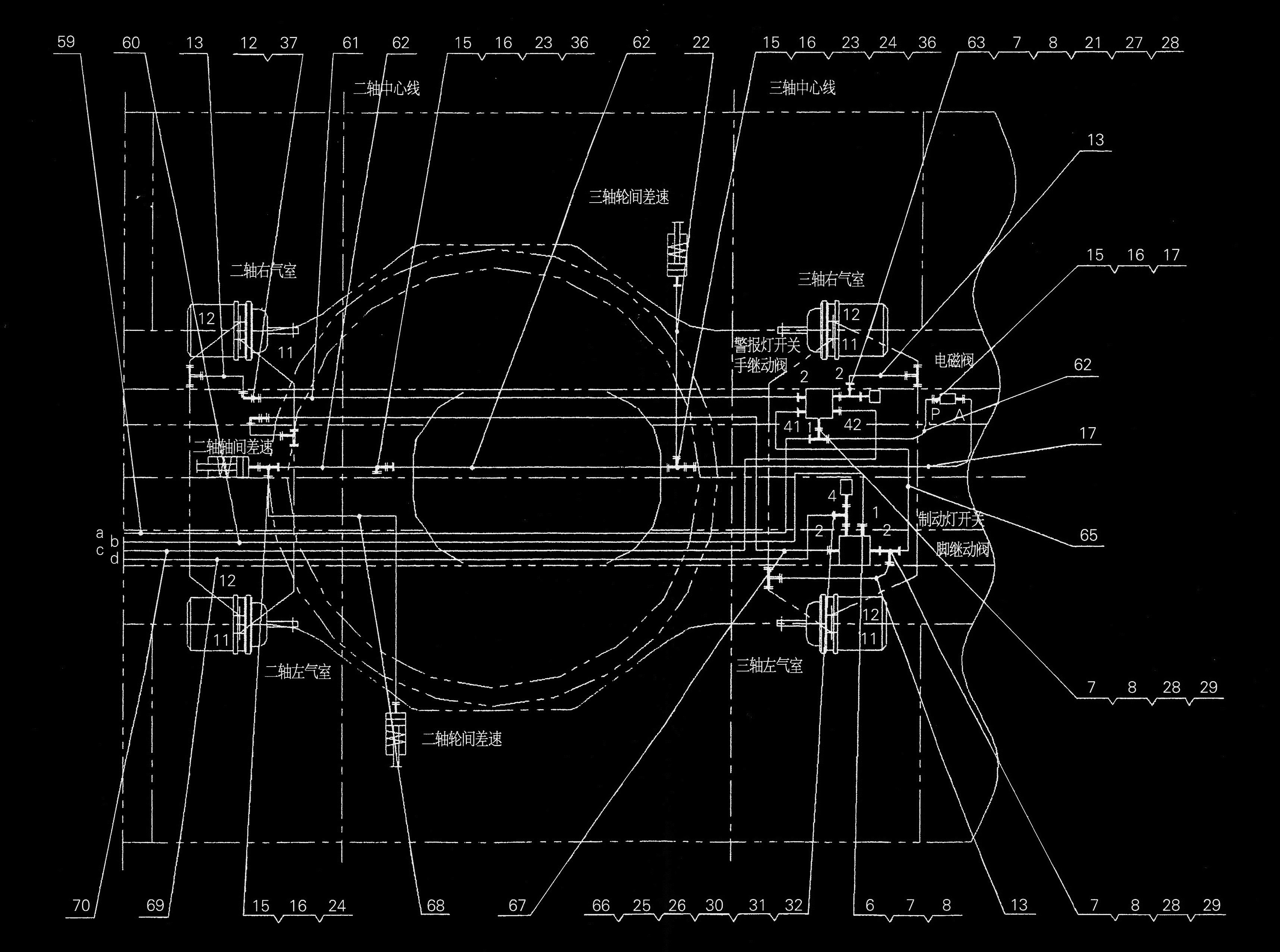
| 1 | 10440001 | 垫圈 | Washer | 4 | |
| 2 | 10430001 | 螺母 | Nut | 2 | |
| 3 | 10410011 | 螺栓 | Bolt | 2 | |
| 4 | 11210344 | 卡適 | Clip | 2 | |
| 5 | 10200048 | 双音排气喇叭 | Horn | 1 | |
| 6 | 10120387 | 接头体 | Connection | 5 | |
| 7 | 10120341 | 卡套 | Clip Sleeve | 36 | |
| 8 | 10121953 | 螺母 | Nut | 36 | |
| 10 | 10120550 | 接头体 | Connection | 2 | |
| 11 | 10122859 | 接头体 | Connection | 3 | |
| 12 | 10120535 | 接头体 | Connection | 4 | |
| 13 | 10122364 | 胶管接头 | Rubber hose | 6 | |
| 14 | 10120524 | 胶管接头 | Rubber hose | 1 | |
| 15 | 10120039 | 卡套 | Clip Sleeve | 25 | |
| 16 | 10120038 | 螺母 | Nut | 25 | |
| 17 | 10122367 | 接头体 | Connection | 5 | |
| 19 | 10120138 | 接头体 | Connection | 1 | |
| 20 | 10440029 | 塑圈 | Washer | 1 | |
| 21 | 10440017 | 塾圈 | Washer | 2 | |
| 22 | 10120523 | 胶管接头 | Rubber hose | 2 | |
| 23 | 10122295 | 接头体 | Connection | 2 | |
| 24 | 10122288 | 接头体 | Connection | 2 | |
| 25 | 10120368 | 卡套 | Clip Sleeve | 16 | |
| 26 | 10121950 | 螺母 | Nut | 16 | |
| 27 | 10240025 | 警报灯开关 | Warning Lamp Switch | 1 | |
| 28 | 10120773 | 接头体 | Connection | 5 | |
| 29 | 10120336 | 接头体 | Connection | 4 | |
| 30 | 10440024 | 垫圈 | Washer | 2 | |
| 31 | 10122363 | 接头体 | Connection | 2 | |
| 32 | 10240026 | 制动灯开关 | Brake lamp switch | 2 | |
| 34 | 10123748 | 螺母 | Nut | 3 | |
| 35 | 10120588 | 接头体 | Connection | 1 | |
| 36 | 10120554 | 螺母 | Nut | 2 | |
| 37 | 10120710 | 螺母 | Nut | 5 | |
| 38 | 10122052 | 接头体 | Connection | 2 | |
| 39 | 10120335 | 接头体 | Connection | 2 | |
| 40 | 10120539 | 接头体 | Connection | 1 | |
| 41 | 10122174 | 接头体 | Connection | 1 | |
| 42 | 11210567 | 扎带 | Clip bend | 50 | |
| 43 | 11210023 | 扎带 | Clip bend | 20 | |
| 44 | 10410010 | 螺栓 | Bolt | 2 | |
| 45 | 10440062 | 垫圈 | Washer | 2 | |
| 46 | 10440015 | 垫圈 | Washer | 2 | |
| 47 | 10120366 | 卡套 | Clip Sleeve | 11 | |
| 48 | 10121954 | 螺母 | Nut | 11 | |
| 49 | 03442006 | 氧气胶管 | Rubber hose | 1 | |
| 50 | 03442007 | PA11管组件 | Pal 1 Pipe Assembly | 2 | |
| 51 | 03000158 | 钢管组件 | Steel Pipe Assembly | 1 | |
| 52 | XZ16K.42-31 | 接头板 | Connection support | 1 | |
| 53 | XZ16K.42-32A | 接头板 | Connection support | 1 | |
| 54 | 03000104 | 钢管组件 | Steel Pipe Assembly | 1 | |
| 55 | 03442009 | PA11管组件 | Pa11 Pipe Assembly | 1 | |
| 56 | 03742007 | 钢管组件 | Steel Pipe Assembly | 1 | |
| 57 | XZ16K.41.2-1A | 接头体 | Connection | 1 | |
| 58 | 03742009 | 钢管组件 | Steel Pipe Assembly | 1 | |
| 59 | 03442010 | PA11管组件 | Pa11 Pipe Assembly | 1 | |
| 60 | 03442011 | PA11管组件 | Pa11 Pipe Assembly | 1 | |
| 61 | 03442012 | PA11管组件 | Pa11 Pipe Assembly | 1 | |
| 62 | 03442013 | PA11管组件 | Pa11 Pipe Assembly | 2 | |
| 63 | XZ16K.39-7A | 接头体 | Connection | 1 | |
| 64 | 03442014 | PA11管组件 | Pa11 Pipe Assembly | 1 | |
| 65 | 03442015 | PA11管组件 | Pa11 Pipe Assembly | 1 | |
| 66 | XZ16K.42-14A | 接头体 | Connection | 2 | |
| 67 | 03442016 | PA11管组件 | Pa11 Pipe Assembly | 1 | |
| 68 | 03442017 | PA11管组件 | Pa11 Pipe Assembly | 1 | |
| 69 | 03442018 | PA11管组件 | Pa11 Pipe Assembly | 1 | |
| 70 | 03442019 | PA11管组件 | Pa11 Pipe Assembly | 1 | |
| 71 | 03442020 | PA11管组件 | Pa11 Pipe Assembly | 1 | |
| 72 | 03442021 | PA11管组件 | Pa11 Pipe Assembly | 1 | |
| 73 | 03442022 | PA11管组件 | Pa11 Pipe Assembly | 1 | |
| 74 | 03442023 | PA11管组件 | Pa11 Pipe Assembly | 1 | |
| 75 | 03442024 | PA11管组件 | Pa11 Pipe Assembly | 1 | |
| 76 | 03442025 | PA11管组件 | Pa11 Pipe Assembly | 1 | |
| 77 | XZ16K.42-27 | 软管接头 | Connection | 1 | |
| 78 | 03442026 | PA11管组件 | Pa11 Pipe Assembly | 1 | |
| 79 | 03442027 | PA11管组件 | Pa11 Pipe Assembly | 1 | |
| 80 | 03442028 | PA11管组件 | Pa11 Pipe Assembly | 1 | |
| 81 | 03442029 | PA11管组件 | Pa11 Pipe Assembly | 1 | |
| 82 | 03442030 | PA11管组件 | Pa11 Pipe Assembly | 1 | |
| 83 | 03442031 | PA11管组件 | Pa11 Pipe Assembly | 1 | |
| 84 | 03442032 | PA11管组件 | Pa11 Pipe Assembly | 1 | |
Be the first to review “XZ25K.42 气路系统布管 Pneumatic System Pipe Assembly” Cancel reply
Related products
Product added!
Browse Wishlist
The product is already in the wishlist!
Browse Wishlist
Product added!
Browse Wishlist
The product is already in the wishlist!
Browse Wishlist
Product added!
Browse Wishlist
The product is already in the wishlist!
Browse Wishlist
JSQF2501.00 驾驶室
Product added!
Browse Wishlist
The product is already in the wishlist!
Browse Wishlist
Product added!
Browse Wishlist
The product is already in the wishlist!
Browse Wishlist
XZ25K
Product added!
Browse Wishlist
The product is already in the wishlist!
Browse Wishlist




Reviews
There are no reviews yet.