| 序号 | 代号 | 名称 | 数量 | 备注 | |
| № | Part No. | Part Description | Q’ty | Remark | |
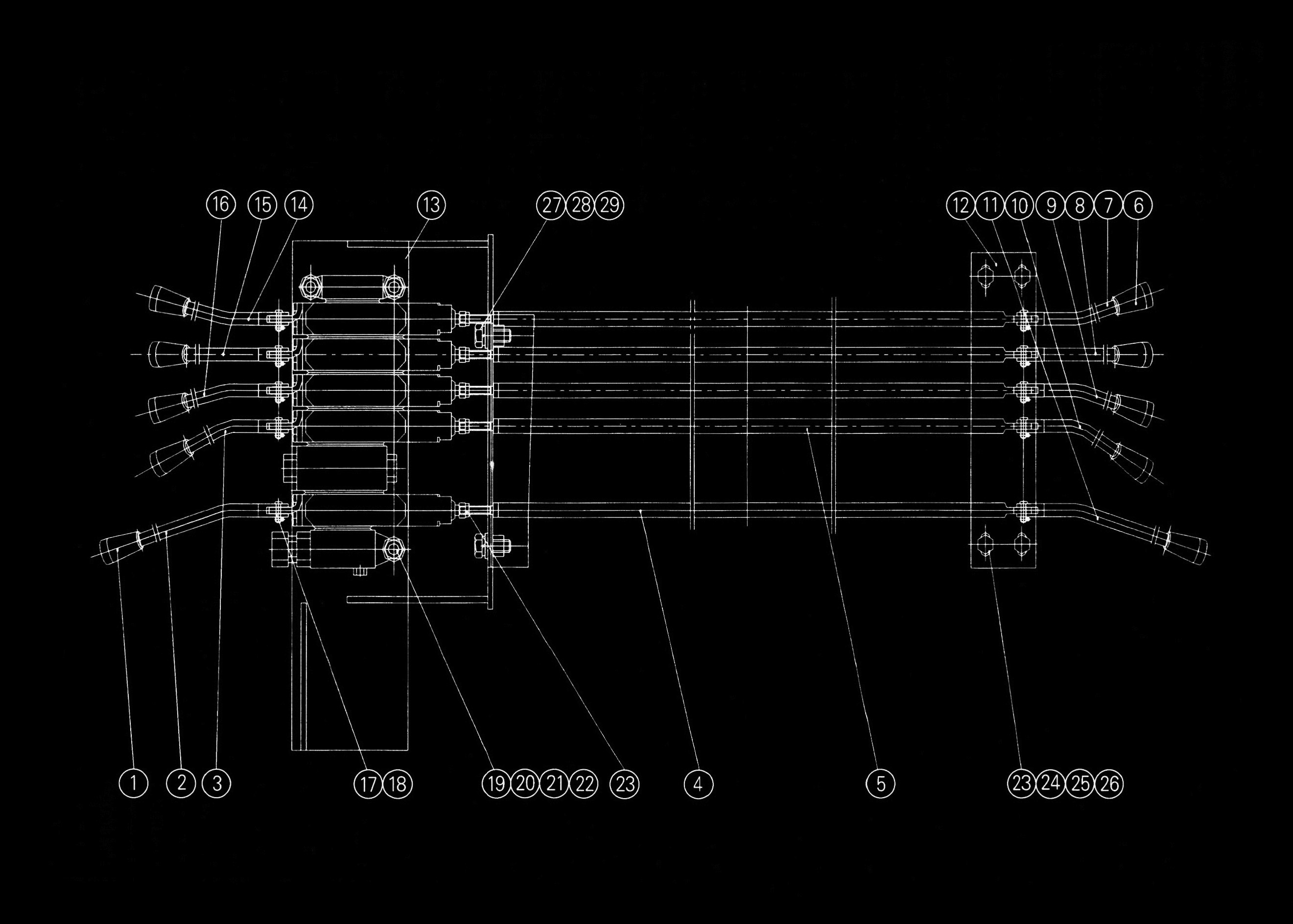
| 1 | QY16K_72-12 | 手柄 | Handle | 2 | |
| 2 | QY16K_72_13 | 操纵杆 | Operation lever | 1 | |
| 3 | QY16K_72_14 | 操纵杆 | Operation lever | 1 | |
| 4 | QY16C_72_1A | 拉杆 | Lever | 1 | |
| 5 | QY16C_72_4A | 拉杆 | Lever | 4 | |
| 6 | QY16K_72-1 | 手柄 | Handle | 8 | |
| 7 | QY20_72_1C | 操纵杆 | Operation lever | 1 | |
| 8 | QY20_72_2C | 操纵杆 | Operation lever | 1 | |
| 9 | QY20_72_3A | 操纵杆 | Operation lever | 1 | |
| 10 | QY20_72_4A | 操纵杆 | Operation lever | 1 | |
| 11 | QY20_72_5A | 操纵杆 | Operation lever | 1 | |
| 12 | QY16C_72_2B | 支架 | Support | 1 | |
| 13 | QY16C_72_3A | 支架 | Support | 1 | |
| 14 | QY16K_72_9 | 操纵杆 | Operation lever | 1 | |
| 15 | QY16K_72_10 | 操纵杆 | Operation lever | 1 | |
| 16 | QY16K_72_11 | 操纵杆 | Operation lever | 1 | |
| 17 | 10470068 | 销轴 B5×18 | Pin shaft B5×18 | 20 | |
| 18 | 10470322 | 销 2×10 | Pin 2×10 | 20 | |
| 19 | 10410058 | 螺栓 M10×35 | Bolt M10×35 | 3 | |
| 20 | 10440006 | 垫圈 10 | Washer 10 | 3 | |
| 21 | 10430004 | 螺母 M10 | Nut M10 | 3 | |
| 22 | 10440009 | 垫圈 10 | Washer 10 | 3 | |
| 23 | 10430001 | 螺母 M8 | Nut M8 | 9 | |
| 24 | 10410010 | 螺栓 M8×25 | Bolt M8×25 | 4 | |
| 25 | 10440001 | 垫圈 8 | Washer 8 | 4 | |
| 26 | 10440062 | 垫圈 8 | Washer 8 | 8 | |
| 27 | 10420018 | 螺栓 M12×30 | Bolt M12×30 | 4 | |
| 28 | 10440010 | 垫圈 12 | Washer 12 | 4 | |
| 29 | 10440012 | 垫圈 12 | Washer 12 | 4 | |
Be the first to review “QY20_72C 支腿操纵系统 Outrigger Operation System” Cancel reply
Related products
Product added!
Browse Wishlist
The product is already in the wishlist!
Browse Wishlist
Product added!
Browse Wishlist
The product is already in the wishlist!
Browse Wishlist
Product added!
Browse Wishlist
The product is already in the wishlist!
Browse Wishlist
XZ20B
Product added!
Browse Wishlist
The product is already in the wishlist!
Browse Wishlist
XZ20B_00 汽车起重机底盘
Product added!
Browse Wishlist
The product is already in the wishlist!
Browse Wishlist
Product added!
Browse Wishlist
The product is already in the wishlist!
Browse Wishlist



Reviews
There are no reviews yet.