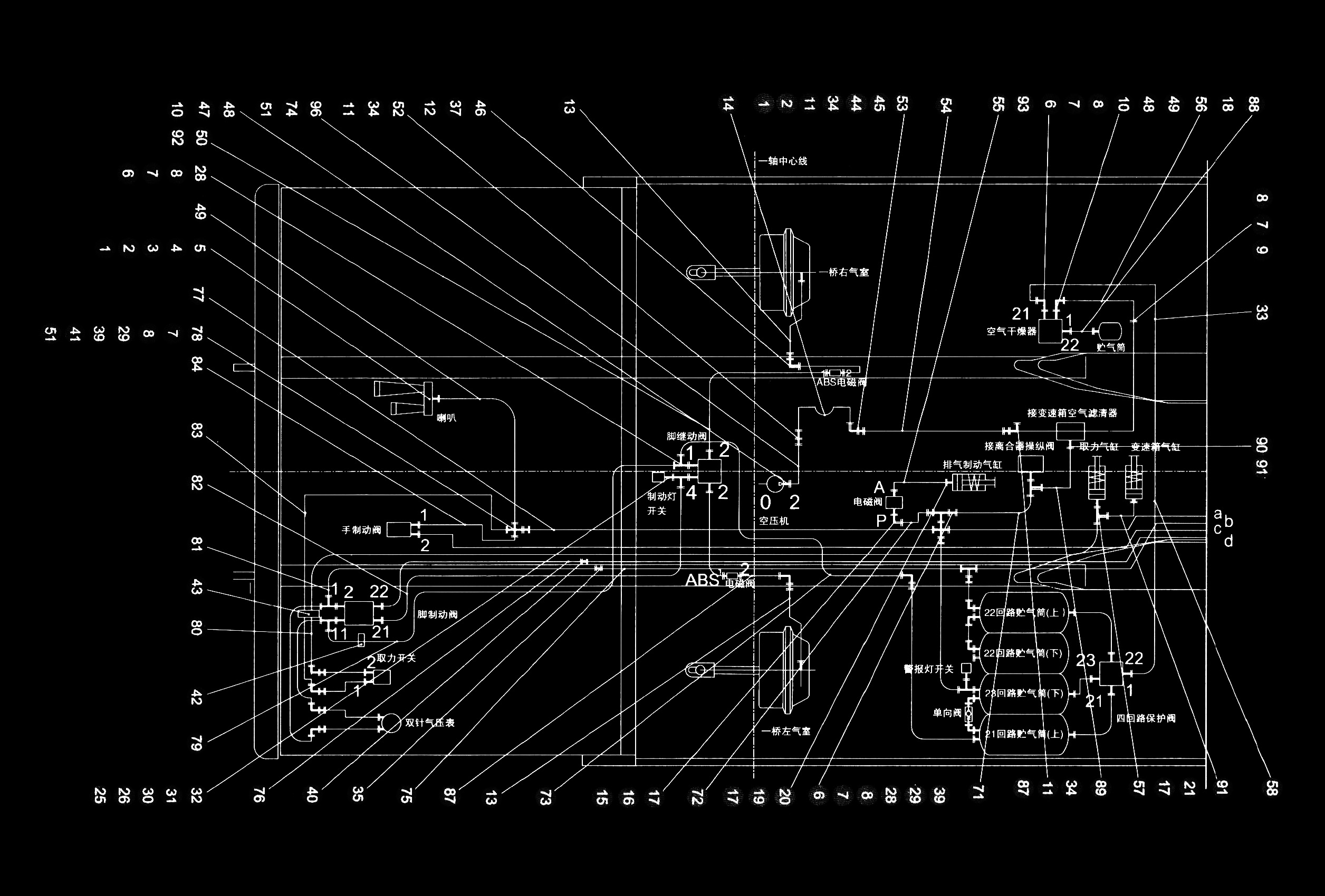
134900774 气路系统布管 Pneumatic Circuit Pipe Assembly