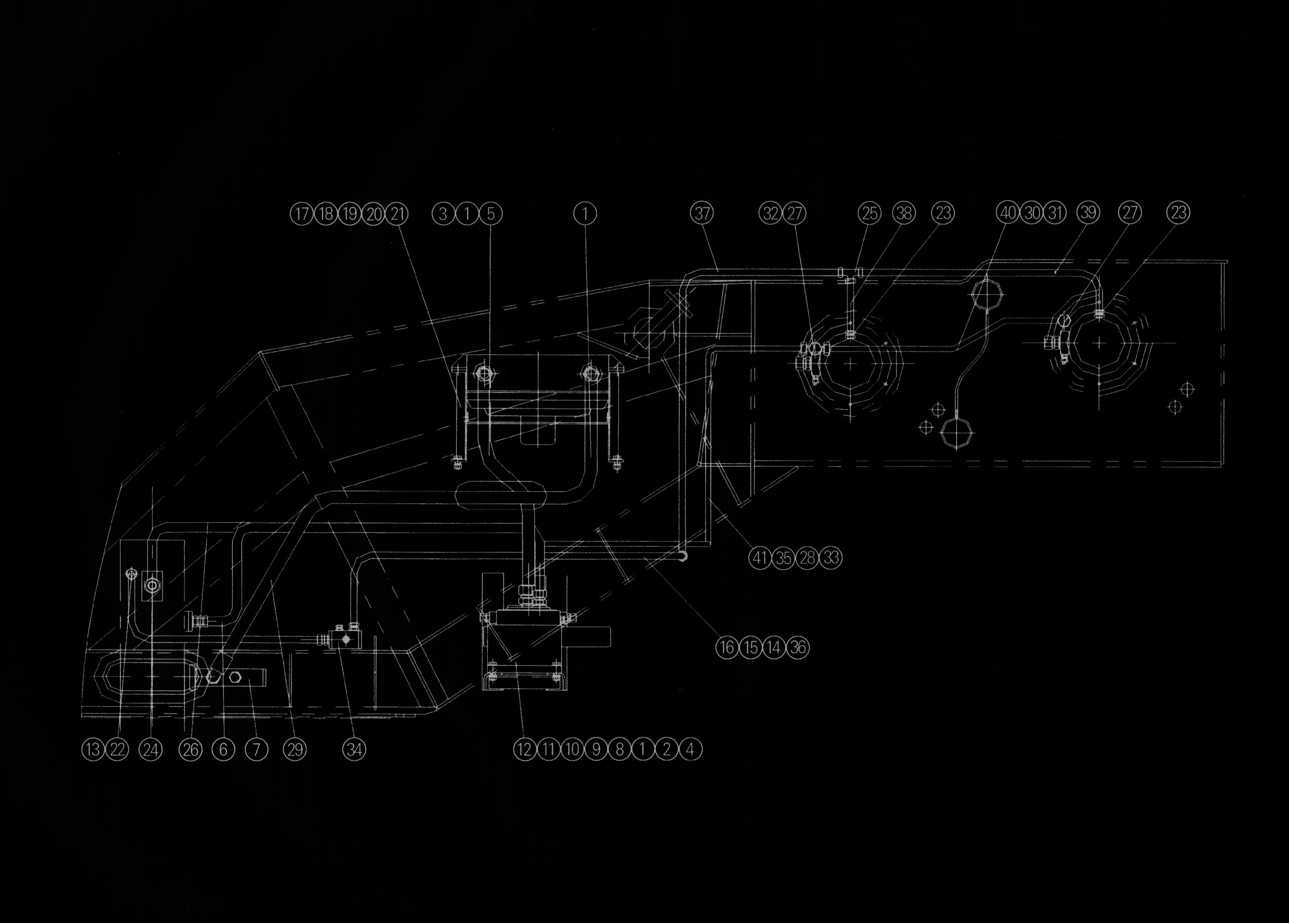
| 序号 | 零部件代号 | 名称 | 数量 | 备注 | |
| Sr, No. | Part No. | Part name | Q’ ty | Remark | |
| 1 | 10125096 | 接头体 35L/G11/4 | Fitting 35L/G11/4 | 3 | |
| 2 | 10125704 | 接头体 35L/35L/18L | Fitting 35L/35L/18L | 1 | |
| 3 | 10120007 | 胶管接头 | Hose | 1 | |
| 4 | 20120544 | 接头体 | Fitting | 2 | |
| 5 | 10125388 | 接头体 35L | Fitting 35L | 1 | |
| 6 | 10126411 | 胶管接头 | Hose | 1 | |
| 7 | 10125366 | 管接头 | Fitting | 1 | |
| 8 | 10100717 | 多路阀 | Multi-channel valve | 1 | |
| 9 | 10420018 | 螺栓 M12×30 | Bolt M12×30 | 4 | |
| 10 | 10430005 | 螺母 M12 | Nut M12 | 4 | |
| 11 | 10440010 | 垫圈 12 | Washer 12 | 4 | |
| 12 | 10440012 | 垫圈 12 | Washer 12 | 4 | |
| 13 | 10124945 | 接头体 18L/M18×1. 5 | Fitting Body 18L/M18×1. 5 | 1 | |
| 14 | 20430001 | 螺母 | Nut | 8 | |
| 15 | 20120042 | 卡套 | Cutting ring | 8 | |
| 16 | 10123816 | 接头体 | Fitting | 1 | |
| 17 | 10100873 | 散热器 | Radiator | 1 | |
| 18 | 10420002 | 螺栓 M10×20 | Bolt M10×20 | 4 | |
| 19 | 10430004 | 螺母 M10 | Nut M10 | 4 | |
| 20 | 10440006 | 垫圈 10 | Washer 10 | 4 | |
| 21 | 10440009 | 垫圈 12 | Washer 12 | 4 | |
| 22 | 10126412 | 胶管接头 | Hose | 1 | |
| 23 | 10124400 | 接头体 | Fitting | 2 | |
| 24 | 10124146 | 法兰总成 | Flange | 2 | |
| 25 | 10124385 | 接头体 | Fitting | 1 | |
| 26 | 10126413 | 胶管接头 | Hose | 1 | |
| 27 | 10100157 | 单向阀 | One-way throttle valve | 2 | |
| 28 | 10126150 | 接头体 | Fitting | 1 | |
| 29 | 10126414 | 胶管接头 | Hose | 1 | |
| 30 | 20430005 | 螺母 | Nut | 4 | |
| 31 | 20120053 | 卡套 | Cutting ring | 4 | |
| 32 | 10125707 | 接头体 | Fitting | 1 | |
| 33 | 10126415 | 胶管接头 | Hose | 1 | |
| 34 | 10126078 | 集流管 | Collector | 1 | |
| 35 | 11210408 | 管卡 | Pipe Clipe | 1 | |
| 36 | 01813310 | 无缝管 | Seamless tube | 1 | |
| 37 | 01813311 | 无缝管 Ø15×2 | Seamless tube Ø15×2 | 1 | |
| 38 | 01813312 | 无缝管 Ø15×2 | Seamless tube Ø15×2 | 1 | |
| 39 | 01813313 | 无缝管 Ø15×2 | Seamless tube Ø15×2 | 1 | |
| 40 | 01813314 | 无缝管 Ø18×2 | Seamless tube Ø18×2 | 1 | |
| 41 | 01813315 | 无缝管 Ø18×2 | Seamless tube Ø18×2 | 1 | |
QY25K5 – 01813348 进回油泄露配管 Inlet And Outlet Piping
Categories: QY25K5, 01813150 上车配管总成, 01813348 进回油泄露配管
Be the first to review “QY25K5 – 01813348 进回油泄露配管 Inlet And Outlet Piping” Cancel reply
Related products
Product added!
Browse Wishlist
The product is already in the wishlist!
Browse Wishlist
Product added!
Browse Wishlist
The product is already in the wishlist!
Browse Wishlist
11410913 起重钩
Product added!
Browse Wishlist
The product is already in the wishlist!
Browse Wishlist
01807001 回转机构
Product added!
Browse Wishlist
The product is already in the wishlist!
Browse Wishlist
01203003 操纵室
Product added!
Browse Wishlist
The product is already in the wishlist!
Browse Wishlist
Product added!
Browse Wishlist
The product is already in the wishlist!
Browse Wishlist
01808001 起升机构


Reviews
There are no reviews yet.